Deltron Product Specifications     Print     Return to Search     Home
       Posi Drive Stages
       Family: LRS3
       Model: LRS3-1-B10-XY
       Price: $ 2,292.00
Options:  
Lead screw pitch
Limit Switch
Configuration
Type of sensor
Length of Cable
         
 
Maximum Recommended Revolutions Per Second
Lead: .050", .0625", .100"20 RPS
Lead: .125", .200", .250", .500", 1.0"10 RPS



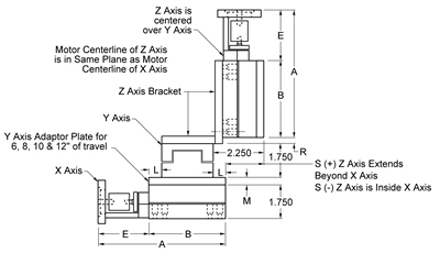
Click button to view Solid Model Drawings

All dimensions in inches unless otherwise specified
ModelPriceTravelLoad
Capacity (lbs)
ABDPEFGHH1JKLMNRSAccuracy
(in/in of travel)
Axis
LRS3-1-B10-XY$ 2,292.001605.633.002.125-2.630.440.502.375000.000.310.18803.7310.322.060.0001(XY) Double Axis

       

Del-tron Precision, Inc.   •   5 Trowbridge Dr.   •   Bethel CT 06801   •   800-245-5013